Profil na śrubę młoteczkową 2200mm H
Wybierz wariant produktu:
Poszczególne warianty mogą różnić się ceną
Ilość
Koszty dostawy wybranego produktu
Cena dostawy dotyczy tego produktu (w wybranym wariancie - jeśli dotyczy). Może się ona zmienić po dodaniu innych produktów do koszyka.
Opis
Profil na śrubę młoteczkową 2200mm H – konstrukcja montażowa do instalacji fotowoltaicznych
Profil na śrubę młoteczkową 2200mm H to element konstrukcji montażowej PV przeznaczony do stabilnego mocowania modułów fotowoltaicznych. Produkt służy do budowy systemów mocowań dachowych i konstrukcji gruntowych, ułatwiając instalatorom montaż paneli na śruby teowe. Profil sprawdzi się w różnych realizacjach instalacji fotowoltaicznych, dedykowany jest dla profesjonalnych ekip instalatorskich i hurtowni PV.
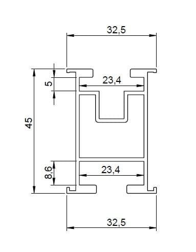
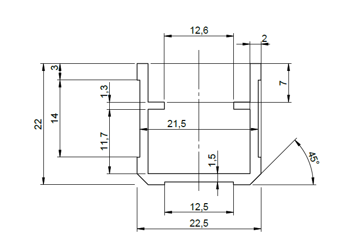
Parametry techniczne profilu na śrubę młoteczkową 2200mm H
| Parametr | Wartość |
|---|---|
| Długość | 2200 mm |
| Typ mocowania | na śrubę młoteczkową (teową) |
| Zastosowanie | konstrukcje dachowe i gruntowe |
Zastosowanie profilu montażowego na śrubę młoteczkową 2200mm H w systemach PV
- Sprawdza się w montażu instalacji fotowoltaicznych na dachach skośnych i konstrukcjach gruntowych.
- Profil dedykowany jest do łączenia na śruby teowe, co zapewnia solidne mocowanie w podkonstrukcji PV.
- Pasuje do różnych typów konstrukcji montażowych z aluminium i stali.
- Można go łączyć z dedykowanymi łącznikami profilowymi oraz innymi elementami systemu mocowań.
Jak dobrać profil na śrubę młoteczkową 2200mm H i z czym go łączyć?
Profil na śrubę młoteczkową 2200mm H należy łączyć z odpowiednimi śrubami teowymi oraz łącznikami dostosowanymi do profilu. Do montażu warto używać dedykowanych śrub młoteczkowych M10x30 A2, które gwarantują stabilność konstrukcji.
Profil doskonale współpracuje z łącznikiem ceowym do szyn montażowych C100, ułatwiającym łączenie elementów podkonstrukcji. Liczbę sztuk i moment dokręcania należy dostosować do projektu instalacji i instrukcji producenta.
Powiązane produkty do profilu na śrubę młoteczkową 2200mm H — kompletuj instalację PV
- Śruba Młoteczkowa/Teowa M10x30 A2 — idealna do montażu profilu na śrubę młoteczkową.
- Łącznik ceowy do szyn montażowych C100 — umożliwia trwałe łączenie profili w konstrukcji PV.
Najczęściej zadawane pytania o profil na śrubę młoteczkową 2200mm H
Czy profil na śrubę młoteczkową 2200mm H nadaje się do montażu na dachach skośnych?
Tak, profil jest przystosowany do montażu w konstrukcjach dachowych skośnych oraz gruntowych. Zapewnia stabilne mocowanie na śruby teowe.
Jakie śruby są kompatybilne z profilem na śrubę młoteczkową 2200mm H?
Zaleca się używanie śrub młoteczkowych M10x30 A2, które są dedykowane do montażu tego profilu w systemie mocowań PV.
Czy profil można łączyć z innymi elementami konstrukcji montażowej?
Tak, profil na śrubę młoteczkową 2200mm H współpracuje z łącznikami ceowymi oraz innymi akcesoriami do konstrukcji montażowych, np. łącznikiem ceowym do szyn montażowych C100.